|
Type |
SSR |
ZG3NC |
ZG33 |
|
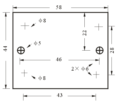
Dimension |
604524
|
584432
|
10473.524
|
|
Function |
SSRMany kinds of input standards
With operation display
|
|
|
Insulation |
Photoelectrical coupler |
|
Load Voltage |
30-240VAC/90-480VAC/12-100VDC |
|
Load Current |
10-40A |
10-80A |
|
Leakage current
|
5mA 100VAC 5mA 10mA 200VAC 10mA
|
|
VoRmVceo(V) |
1000 |
|
di/dt(A/us) |
200 |
|
dv/dt(v/us) |
400 |
|
I2t(A2S) |
25-3000(Bigger current,bigger
consumption) |
|
Max.TJ(C) |
100 |
|
Input |
Input Voltage |
3-32VDC/90-250VAC |
|
Input Current |
< 40mA |
|
Off Voltage |
1VDC |
|
On Voltage |
3VDC |
|
Off time |
0.5ms DC/10msAC |
|
On time |
0.5ms DC/10msAC |
|
Dielectric stength |
50Hz,60S 2500VAC |
|
Ambient temperature |
-30-80(Under non-ice/dewfall
condition) |
Coeffcient of safety of working
current |
Dissipative load is 60%
Inductive load is 40% |
|
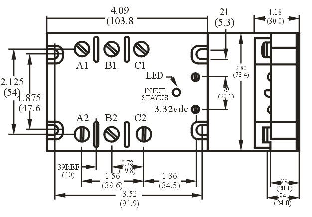
Mounting diagram
|
 |
 |
 |