|
Induction Linear Sensor
|
Work principle
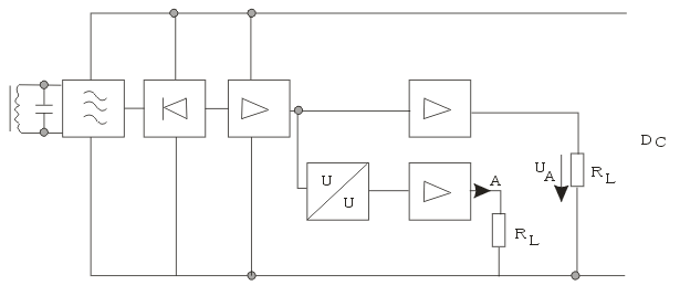
Inductive proximity switch with analog quantity output
has similar work principle with ordinary inductive proximity
switch. The energy of oscillator system decreases when a
metal object app roaches the inductive surface. The energy
decrease degree indicates the distance between the metal
object and the sensor. The energy consumption is transformed
into measuring signal in an additional device and
magnified through linear treatment. (Fig.5) Provide a
standard analog signal at output terminal (0-5V or
4-20mA |
work principle of inductive proximity switch
with analog quantity

|
| lead out with connecting terminal
|
lead out with conductor
|
|
Note: the color of core line BN= brown,
BK=black, BU= blue, and YE=yellow |
[Back
Page][Next
Page][Home] |